| Estado de Disponibilidad: | |
|---|---|
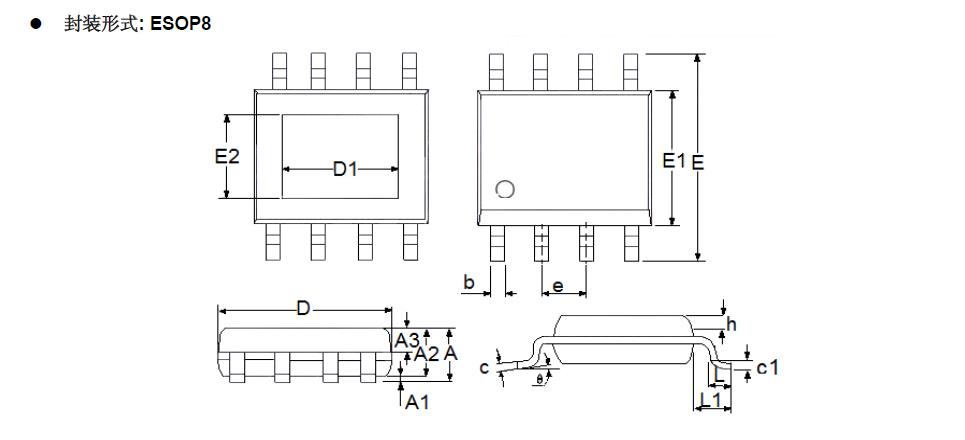
ME4068ASPG
ME
Los circuitos integrados (IC) han revolucionado la forma en que cargamos las baterías de litio, permitiendo procesos de carga más seguros y eficientes.Este artículo explora la aplicación de los circuitos integrados en la carga de litio, destacando sus beneficios, características clave y los avances que aportan a este aspecto crucial de la tecnología moderna.
Las baterías de litio se han convertido en la opción preferida para varios dispositivos electrónicos portátiles debido a su alta densidad de energía y su mayor vida útil.Sin embargo, la carga de baterías de litio requiere una atención cuidadosa para evitar la sobrecarga, la carga insuficiente o el sobrecalentamiento, lo que puede reducir la vida útil de la batería, riesgos de seguridad o incluso fallas catastróficas.
Los circuitos integrados juegan un papel fundamental en la carga de litio al proporcionar capacidades precisas de control y monitoreo.Estos componentes electrónicos en miniatura integran varias funciones como regulación de voltaje, control de corriente, detección de temperatura y mecanismos de protección en un solo chip.Al aprovechar los circuitos integrados, los fabricantes pueden garantizar una carga segura y eficiente de las baterías de litio.
1. Seguridad mejorada: los circuitos integrados vienen equipados con funciones de seguridad avanzadas, como protección contra sobrevoltaje, protección contra sobrecorriente y regulación térmica.Estas medidas de seguridad evitan peligros potenciales al ajustar automáticamente los parámetros de carga para mantener las condiciones óptimas.
2. Eficiencia mejorada: los circuitos integrados optimizan el proceso de carga ajustando dinámicamente el voltaje y la corriente de carga según el estado de carga de la batería.Este algoritmo de carga inteligente garantiza una carga más rápida y eficiente, lo que reduce el tiempo total de carga.
3. Longevidad de la batería: los circuitos integrados evitan la sobrecarga y la carga insuficiente, dos causas comunes de degradación de la batería.Al monitorear con precisión los niveles de voltaje y corriente de la batería, los circuitos integrados aseguran que la batería se cargue dentro de sus límites operativos seguros, lo que prolonga su vida útil.
1. Regulación de voltaje: los circuitos integrados regulan el voltaje de carga para evitar la sobrecarga, lo que puede provocar la degradación de la batería o incluso un desbordamiento térmico.Al mantener un voltaje constante dentro de límites seguros, los circuitos integrados garantizan un proceso de carga controlado y seguro.
2. Control de corriente: los circuitos integrados regulan la corriente de carga para evitar situaciones de sobrecorriente que puedan dañar la batería o causar riesgos de seguridad.Al monitorear la corriente de carga, los circuitos integrados la ajustan dinámicamente para mantener las condiciones de carga óptimas.
3. Detección de temperatura: los circuitos integrados incorporan sensores de temperatura para controlar la temperatura de la batería durante la carga.Si la temperatura excede los límites seguros, el IC puede reducir automáticamente la corriente de carga o pausar el proceso de carga hasta que la batería se enfríe, evitando daños térmicos.
4. Mecanismos de protección: los circuitos integrados proporcionan mecanismos de protección integrados para salvaguardar la batería y el circuito de carga.Estos incluyen protección contra sobretensiones, protección contra sobrecorriente, protección contra cortocircuitos y protección contra polaridad inversa, lo que garantiza operaciones de carga seguras y confiables.
La tecnología IC continúa evolucionando, trayendo nuevos avances a la carga de litio.Algunos avances notables incluyen:
1. Carga rápida: los circuitos integrados avanzados admiten protocolos de carga rápida como Qualcomm Quick Charge y USB Power Delivery.Estos protocolos permiten una carga rápida sin comprometer la seguridad o la duración de la batería.
2. Carga inalámbrica: los circuitos integrados diseñados para la carga inalámbrica permiten la integración perfecta de las capacidades de carga inalámbrica en varios dispositivos.Estos circuitos integrados incorporan características como detección de objetos extraños y transferencia de energía eficiente para mejorar la experiencia de carga inalámbrica.
La aplicación de circuitos integrados en la carga de litio ha transformado la forma en que cargamos nuestros dispositivos electrónicos portátiles.Con sus características de seguridad avanzadas, mecanismos de control precisos y algoritmos de carga inteligentes, los circuitos integrados garantizan experiencias de carga de litio más seguras, más eficientes y más duraderas.A medida que la tecnología IC continúa avanzando, podemos esperar más mejoras en la velocidad de carga, la comodidad y el rendimiento general de la batería.
Los circuitos integrados (IC) han revolucionado la forma en que cargamos las baterías de litio, permitiendo procesos de carga más seguros y eficientes.Este artículo explora la aplicación de los circuitos integrados en la carga de litio, destacando sus beneficios, características clave y los avances que aportan a este aspecto crucial de la tecnología moderna.
Las baterías de litio se han convertido en la opción preferida para varios dispositivos electrónicos portátiles debido a su alta densidad de energía y su mayor vida útil.Sin embargo, la carga de baterías de litio requiere una atención cuidadosa para evitar la sobrecarga, la carga insuficiente o el sobrecalentamiento, lo que puede reducir la vida útil de la batería, riesgos de seguridad o incluso fallas catastróficas.
Los circuitos integrados juegan un papel fundamental en la carga de litio al proporcionar capacidades precisas de control y monitoreo.Estos componentes electrónicos en miniatura integran varias funciones como regulación de voltaje, control de corriente, detección de temperatura y mecanismos de protección en un solo chip.Al aprovechar los circuitos integrados, los fabricantes pueden garantizar una carga segura y eficiente de las baterías de litio.
1. Seguridad mejorada: los circuitos integrados vienen equipados con funciones de seguridad avanzadas, como protección contra sobrevoltaje, protección contra sobrecorriente y regulación térmica.Estas medidas de seguridad evitan peligros potenciales al ajustar automáticamente los parámetros de carga para mantener las condiciones óptimas.
2. Eficiencia mejorada: los circuitos integrados optimizan el proceso de carga ajustando dinámicamente el voltaje y la corriente de carga según el estado de carga de la batería.Este algoritmo de carga inteligente garantiza una carga más rápida y eficiente, lo que reduce el tiempo total de carga.
3. Longevidad de la batería: los circuitos integrados evitan la sobrecarga y la carga insuficiente, dos causas comunes de degradación de la batería.Al monitorear con precisión los niveles de voltaje y corriente de la batería, los circuitos integrados aseguran que la batería se cargue dentro de sus límites operativos seguros, lo que prolonga su vida útil.
1. Regulación de voltaje: los circuitos integrados regulan el voltaje de carga para evitar la sobrecarga, lo que puede provocar la degradación de la batería o incluso un desbordamiento térmico.Al mantener un voltaje constante dentro de límites seguros, los circuitos integrados garantizan un proceso de carga controlado y seguro.
2. Control de corriente: los circuitos integrados regulan la corriente de carga para evitar situaciones de sobrecorriente que puedan dañar la batería o causar riesgos de seguridad.Al monitorear la corriente de carga, los circuitos integrados la ajustan dinámicamente para mantener las condiciones de carga óptimas.
3. Detección de temperatura: los circuitos integrados incorporan sensores de temperatura para controlar la temperatura de la batería durante la carga.Si la temperatura excede los límites seguros, el IC puede reducir automáticamente la corriente de carga o pausar el proceso de carga hasta que la batería se enfríe, evitando daños térmicos.
4. Mecanismos de protección: los circuitos integrados proporcionan mecanismos de protección integrados para salvaguardar la batería y el circuito de carga.Estos incluyen protección contra sobretensiones, protección contra sobrecorriente, protección contra cortocircuitos y protección contra polaridad inversa, lo que garantiza operaciones de carga seguras y confiables.
La tecnología IC continúa evolucionando, trayendo nuevos avances a la carga de litio.Algunos avances notables incluyen:
1. Carga rápida: los circuitos integrados avanzados admiten protocolos de carga rápida como Qualcomm Quick Charge y USB Power Delivery.Estos protocolos permiten una carga rápida sin comprometer la seguridad o la duración de la batería.
2. Carga inalámbrica: los circuitos integrados diseñados para la carga inalámbrica permiten la integración perfecta de las capacidades de carga inalámbrica en varios dispositivos.Estos circuitos integrados incorporan características como detección de objetos extraños y transferencia de energía eficiente para mejorar la experiencia de carga inalámbrica.
La aplicación de circuitos integrados en la carga de litio ha transformado la forma en que cargamos nuestros dispositivos electrónicos portátiles.Con sus características de seguridad avanzadas, mecanismos de control precisos y algoritmos de carga inteligentes, los circuitos integrados garantizan experiencias de carga de litio más seguras, más eficientes y más duraderas.A medida que la tecnología IC continúa avanzando, podemos esperar más mejoras en la velocidad de carga, la comodidad y el rendimiento general de la batería.